Products
Products
B-TRAN®
Read about our SymCool® Power Module and B-TRAN® Products.
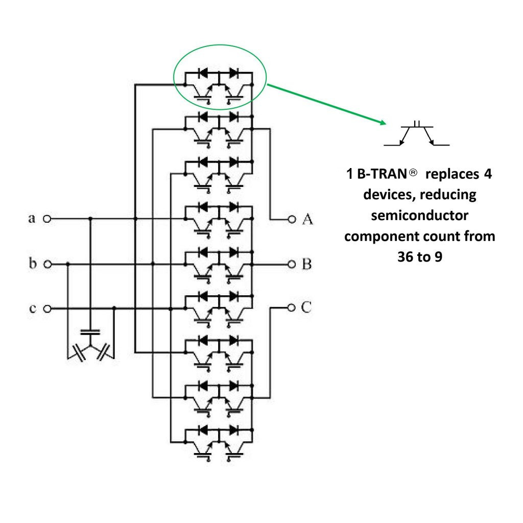
B-TRAN® Advantages
- Monolithic Bidirectional Switch
- Ultra-Low On-State Voltage Drop
- Low Switching Losses
- Reduction of System Components
- Switching Frequency up to 35 KHZ
- Innovative Packaging with Low Parasitic Inductance





